产品展示 > 电动执行器 > AM/AE系列电动执行机构

AM/AE系列电动执行机构

一、产品简介

AM/AE系列智能型数字式电动执行机构采用以微控制器为核心的机电一体化结构,集伺服放大器、位置变送器等多功能于一体全部嵌入定位器内部,并且将定位器直接安装在执行机构内部的一种智能型数字化电动执行机构。该产品应用数字设定,精高度,不仅增加了模拟电路不能实现的控制功能,还可附加PID调节功能,加上一次测量元件即可实现独立的闭环调节系统。产品的关键元器件全部进口,零部件的加工、元器件筛选及老化处理、整机装配到性能测试都严格执行国家及国际标准。AM/AE 系列电动执行机构品种多、功能全、体积小、扭矩大、质量稳定可靠,使用方便、免维护,广泛适用于工业生产过程的自动控制。AM/AE系列电动执行机构按调节方式分成三种:

1、智能调节型-也称为比例调节型。电动执行机构无须另配伺服放大器,直接接收计算机DCS或各类调节单元输出的4- 20mA1-5V的模拟量与数字量信号,执行机构的输出轴转角(或位移)与此信号成比例关系。通过控制电机调整执行机构的定位,达到驱动和控制各类转动设备的目的。电动执行机构所有控制参数、功能选择都可以通过按键来设定和修改,控制器上的状态指示灯和手/自动校准功能使现场操作更为方便快捷。该类电动执行机构在结构及安装方式上分成两种形式:

a、整体式比例调节型:执行机构与智能定位器组装成-个整体,整机在现场使用。

b、分立式比例调节型:执行机构是由执行器及智能伺服操作器构成,但执行机构与智能伺服操作器分开安装,执行机构在现场安装,智能伺服操作器可在控制室内或其它位置安装。

2、远控型-也称积分型。执行机构接收脉冲信号,继电信号,控制执行机构输出轴在任意位置。

3、开关型-也称二位式。执行机构无须配置控制单元,直接接收开关信号,执行机构的输出只能控制在开和关两个极限位置。该电动执行机构可提供无源限位触点,现场手动操作,力矩保护功能。

二、主要技术参数

工作电源:交流220V±10%50Hz

控制精度: 0.1%~3.1% (可调)

输入信号: 4-20mA 0- 10mA1-5VDC

输入阻抗: 2500Ω

输出信号:光电隔离输出4- 20mA DO对应执行机构全闭至全开或全开至全闭

反馈电阻: 500Ω-1KΩ

触点容量:交流250V, 4A

       : 0.3%

环境温度: -30°C~ +70°C

相对湿度:95%

防爆等级: EXdm II CT6EXd II BT4

防护等级: IP67

电机功率: 23W/F~ 100W/F (角行程)

电机功率: 10W/F~90W/F (直行程)

三、产品特点及工作方式

1、电动机内装有过热保护器,可防止过热烧损。

2、安全位置:输入信号故障时电动执行机构可选为全开/停止/全闭。

3、采用热处理合金材料经数控精密加工的齿轮转动机构,润滑采用进口钼基润滑酯具有强度高,耐磨性好,无须加油维护,可经受长期疲劳负荷冲击。

4、采用蜗轮输出轴-体化特殊铜合金缎造,强度高,耐磨性好,避免了传统键、销连接的间隙,传动精度高。满足了执行机构输出轴长期在大力矩频繁正反转的状况下工作。

5、采用铝合金压铸外壳、外形美观精细流畅,可减少电磁干扰,体积小,仅为同类产品的1/3左右。安装灵活。6、轴承和电器元件等关键零部件,采用优质进口产品,是电动执行机构长期、稳定工作的可靠保证。

7、智能数控(数字设定、数字整定、高度精确、自诊断) -机多能的控制单元采用进口高品质电子元器件,输出漂移小,稳定性高且用树脂注入密封具有防水、防震功能。

8、电位器,采用进口塑料导电电位器,精度高、寿命长,确保伺服机构的精确调节。

9、输出臂采用花键连接方式,可任意角度安装。

10、作用方式:正作用/反作用

11、定位方式:手动/自动

12、自动定位:全开/全闭

四、产品型号规格、接线图及外形尺寸

1   AMR/AER 系列90°角行程电动执行机构型号规格及重量(见表1)

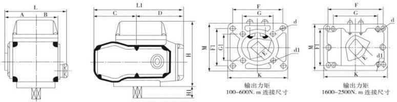
2   AMR/AER 系列角行执行机构(直连式)外形(见图1)及安装尺寸(见表2


3   AMR/AER 角行程电动执行机构外形(底座式)(见图2)及安装连接尺寸(见表3


输出钮矩100N-mAMR/AER防爆电动执行器与输出扭矩250N-m的电动执行器外形尺寸相同。

4   AMR/AER系列角行程电动执行机构标准代号定义

示例:

AMR-b  100/KZ110130A角行程分立式比例调节型电动执行机构,输出力矩1600N-m),输入信息4-20mA,输出信息4-20 mA,全行程30秒,单相电源220V,直联式。

5   AML/AEL系列直行程电动执行机构规格型号及主要技术参数表(见表4

6   AML/AEL系列直行程电动执行机构标准代号定义

示例:

AM-La50K501101直行程整体比例调节型电动执行机构,输出推力600KGF),输入信号4-20mA,输出信号4-20mA,行程50秒,单相电源。

7   AML/AEL系列直行程电动执行机构外形及安装连接尺寸


姓名
电话号码
电子邮箱
公司名称
地址
留言*
 
验证码
提交
下一个: 没有了